LUXMAN   Vintage Audio   website®

Mission Dacδ5

 


 

General:

Generously build DAC with excellent performance, based on the Philips DAC7 concept.

 

Special futures:

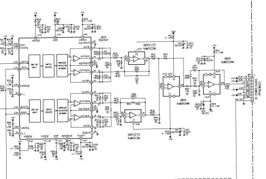
TDA1547 Dac chip used in Philips DAC7 concept, one of the finest DACs Philips made.

 

Specifications:

 

 

 

User Manual:

Click here to download the user manual of the Mission DAC5 in PDF format

 

^ Sandwich pcb construction

 

Schematic:

 

 

^ 3 versions of the DAC7 concept of Philips.

 

 

Modifications:

Philips TDA1547 Datasheet download here

The electrolytic capacitors of the power supply will be out of specs, replace them.

 

^ Audio part pcb

 

^ Power supply pcb

 

 ^ Transformer

 

 

Sound:

Excellent

 

< mainpage

 

© PE1MMK Hans Hilberink last update:  15-09-2019.